
Cause di rottura e di corrosione
Studio di componenti meccanici e strutturali che hanno denunciato una rottura o un deterioramento inaspettato. Analisi e test vengono effettuati allo scopo di determinare la causa scatenante il cedimento.
Esame macroscopico
L’esame ha lo scopo di localizzare il punto di innesco del cedimento e da esso si parte a elaborare il piano di attività più indicato a determinarne le cause.
Analisi chimica
L’analisi viene svolta al fine di classificare il materiale base, verificare che la sua composizione sia conforme alla specifica di riferimento, valutare che la selezione del materiale sia avvenuta correttamente.
Esame metallografico
L’esame permette di determinare la macro e microstruttura di solidificazione o indotta da trattamento e di verificarne le possibili anomalie: dimensione del grano, presenza di seconde fasi e precipitati, inclusioni, porosità.
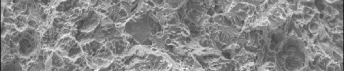
SEM
Analisi della superficie di frattura al fine di identificare il tipo di cedimento.
Prove meccaniche
Possono essere eseguite localmente nelle vicinanze del punto di frattura, su porzioni di materiale ottenute da componete ceduto al fine di verificare le caratteristiche meccaniche del materiale impiegato.
Microanalisi EDS
L’analisi è localizzata in prossimità delle zone corrose, viene svolta con lo scopo di determinare la composizione chimica dei prodotti di corrosione e quindi di identificare le specie chimiche coinvolte nel processo corrosivo.
Difettosità del materiale, un’errata selezione, la sottostima delle condizioni di carico, l’impiego in ambienti eccessivamente aggressivi possono essere alcune delle cause di innesco di fenomeni meccanici, corrosivi, o combinati (meccanici+corrosivi) che conducono al cedimento o al deterioramento del componente.
